Ecostar

DIB Endüstriyel Brülör

  • Duoblok gövde yapısına sahip ECOSTAR DIB serisi sanayi brülörleri; buhar kazanları, kızgın yağ kazanları, start-up uygulamaları ve sıcak hava üreteçlerinde kullanılmaktadır.
  • Doğalgaz, LPG, Fuel Oil, Motorin, Biyogaz ve özel yakıtlar kullanılabilmektedir.
  • Farklı yanma başlığı tasarımları ve prosese uygun alev borusu uzunlukları ile farklı yanma odalarında, modernizasyonu gerçekleşen uygulamalar da dahil, uyumlu çalışabilmektedir.
  • Prosese uygun yakma havası fanı ile 200°C yakma havası sıcaklıklarında çalışabilmeye uygundur. (Yüksek ısıya dayanıklı boya ile boyanmaktadır, sıcak hava ile çalışmada ürün kapasitesi değişkenlik göstermektedir.)
  • Kimyasal dayanım gerektiren proseslerde tamamen paslanmaz malzemeden üretime uygundur.
  • Proses ihtiyacına göre mekanik ve elektronik oransal olarak talep edilmesi mümkündür.
  • Motorin filtreleme ve pompalama istasyonu müşteri talebine göre harici olarak üretilmektedir.
  • Fuel Oil filtreleme, ısıtma ve pompalama istasyonu müşteri talebine göre harici olarak üretilmektedir.
  • Ateşleme için özel tasarım pilot ateşleme brülörleri (DIB-500 serisi ve üzerinde ECOSTAR PAL Brülörü standart olarak kullanılmaktadır.) mevcuttur.
  • Elektronik oransal brülörlerde talebe göre O2-CO trim sistemi adaptasyonu ile yanma optimizasyonu sağlar.
  • Elektronik oransal brülörlerde talebe göre fan hız kontrolü ile enerji tasarrufu sağlar.
  • BMS (yakma yönetim sistemi) veya yazılım yöntemiyle PLC sistemlere bağlanarak uzaktan yönetme imkanı sunar.
  • Fotosel ile alev kontrolü sayesinde yüksek yanma emniyeti sağlar.
BRÜLÖR TİPİ BRÜLÖR KAPASİTESİ DOĞALGAZ TÜKETİMİ MOTORİN TÜKETİMİ FUEL OİL TÜKETİMİ
  Max. MW Max. kcal/h Max. Nm³/h Max. kg/h Max. kg/h
DIB-351 4,8 4.128.000 500 405 428
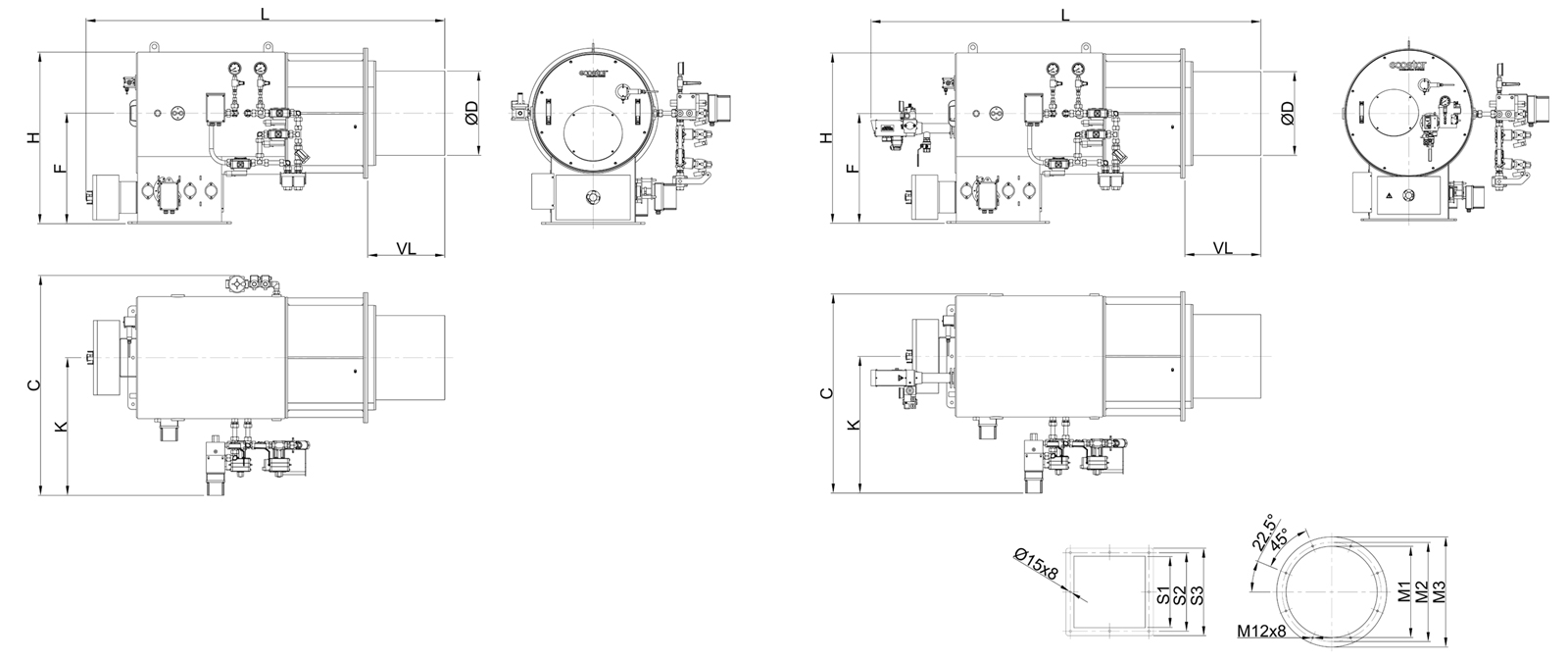
 * ØD L H F C K S1 S2 S3 ØM1 ØM2 ØM3 VL DN
DIB 351 EL 1 Ø323 1700 900 550 1140 750 350 410 450 Ø430 Ø480 Ø550 320  
DIB 351 EL 1 Ø520 2050 900 550 740 350 350 410 450 Ø430 Ø480 Ø550 670  
DIB 351 MS 1 Ø323 1700 900 550 1140 750 350 410 450 Ø430 Ø480 Ø550 320  
DIB 351 MS 2 Ø520 2050 900 550 740 350 350 410 450 Ø430 Ø480 Ø550 670  
DIB 351 N 1  Ø346 1700 900 550 740 350 350 410 450 Ø430 Ø480 Ø550 320 DN80
DIB 351 N 1  Ø298 2050 900 550 740 350 350 410 450 Ø430 Ø480 Ø550 670 DN80
DIB 351 NEL 1  Ø323 1700 900 550 1140 750 350 410 450 Ø430 Ø480 Ø550 320 DN80
DIB 351 NEL 1  Ø520 2050 900 550 740 350 350 410 450 Ø430 Ø480 Ø550 670 DN80
DIB 351 NMS 1  Ø323 1700 900 550 1140 750 350 410 450 Ø430 Ø480 Ø550 320 DN80
DIB 351 NMS 1  Ø520 2050 900 550 740 350 350 410 450 Ø430 Ø480 Ø550 670 DN80

*Bütün boyutlar mm cinsindendir.

ÖZELLİKLER  DIB 350 ME DIB 350 EL
Elektronik oransal kontrol seçeneği
Mekanik oransal kontrol seçeneği
Fotosel ile alev kontrolü
Dahili pilot ateşleme
ECOSTAR PAL pilot ateşleme brülörü
Pilot ateşleme gaz ventili
Hava prosestatı
Gaz / Fuel Oil / Motorin / Gaz-Motorin / Gaz-Fuel Oil ile çalışabilme
Sıvı yakıt ürünlerde, yüksek basınçlı mekanik atomizasyonlu lans veya düşük basınçlı hava / buhar atomizasyonlu lans
Sıcak yakma havası ile çalışabilme*
Farklı montaj seçenekleri
Brülörü kazandan demonte etmeden servis kolaylığı/servis kapağı
Farklı alev borusu uzunluğu
BMS veya yazılım ile PLC aracılığıyla kontrol edilebilme
O2-CO yakma yönetim sistemi bağlantısı
Yakma havası fan inverter bağlantısı
Yakıt hazırlama istasyonları (Gaz hattı/Fuel Oil İstasyonu/Motorin İstasyonu)
TSE EN Uygunluk beyanı
CE Uygunluk beyanı

: Dahil Değil/Yok

: Opsiyonel

: Dahil/Var

ME: Mekanik Oransal

EL: Elektronik Oransal