Sanayi Brülörler

MIB Endüstriyel Brülör (Asfalt Plent)

  • Monoblok gövde yapısına sahip ECOSTAR MIB serisi sanayi brülörleri; sıcak su kazanları, buhar kazanları, kızgın yağ kazanları, kurutma, asfalt plent kurutucuları uygulamalarında kullanılmaktadırlar.
  • MIB serisi sanayi brülörlerinde Doğalgaz, LPG, Fuel Oil, Motorin, Biyogaz, Pulverize Kömür ve özel yakıtlar kullanılabilmektedir.
  • Farklı yanma başlığı tasarımları ve prosese uygun alev borusu uzunlukları ile farklı yanma odalarında, modernizasyonu gerçekleşen uygulamalar da dahil, uyumlu çalışabilmektedir.
  • Farklı tür alev formları için geliştirilmiş türbülatörler mevcuttur.
  • Talebe bağlı yüksek basınçlı opsiyonel fan seçimi. (25mbar & 50mbar)
  • Fotosel ile alev kontrolü sayesinde yüksek yanma emniyeti sağlar.
  • Ateşleme için özel tasarım pilot ateşleme brülörleri (MIB-500 serisi ve üzerinde ECOSTAR PAL Brülörü standart olarak kullanılmaktadır.) mevcuttur.
  • Motorin filtreleme ve pompalama istasyonu müşteri talebine göre harici olarak üretilmektedir.
  • Fuel Oil filtreleme, ısıtma ve pompalama istasyonu müşteri talebine göre harici olarak üretilmektedir.
  • MIB serisi brülörlerin, proses ihtiyacına göre kontrol paneli ürün üzerine bütünleşmiş veya harici pano şeklinde üretilebilmektedir. Bu sayede proses yönetim odası veya lokal alan üzerinde kullanım seçeneği elde edilmektedir.
  • MIB serisi brülörleri, proses ihtiyacına göre mekanik ve elektronik oransal olarak talep edilmesi mümkündür.
  • Yüksek basınç ve düşük basınç sıvı yakıt lansları sayesinde ihtiyaca yönelik uygulama olanağı sunar.
BRÜLÖR TİPİ BRÜLÖR KAPASİTESİ DOĞALGAZ TÜKETİMİ MOTORİN TÜKETİMİ FUEL OİL TÜKETİMİ
Max. MW Max. kcal/h Max. kg/h Max. kg/h Max. kg/h
MIB-301 3,2 2.752.000 334 270 285
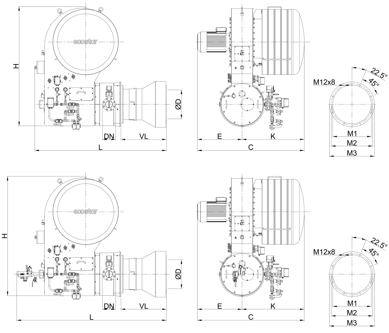
* ØD L C K E H ØM1 ØM2 ØM3 VL DN
MIB-301 EL Ø268 1900 1650 1000 650 1750 Ø380 Ø430 Ø500 570 DN65
MIB-301 MS Ø268 1900 1650 1000 650 1750 Ø380 Ø430 Ø500 570 DN65
MIB-301 N Ø268 1900 1650 1000 650 1750 Ø380 Ø430 Ø500 570 DN65
MIB-301 NEL Ø268 1900 1650 1000 650 1750 Ø380 Ø430 Ø500 570 DN65
MIB-301 NMS Ø268 1900 1650 1000 650 1750 Ø380 Ø430 Ø500 570 DN65

*Bütün boyutlar mm cinsindendir.

ÖZELLİKLER  MIB 301 ME MIB 301 EL
Elektronik oransal kontrol seçeneği
Mekanik oransal kontrol seçeneği
Fotosel ile alev kontrolü
Dahili pilot ateşleme
ECOSTAR PAL pilot ateşleme brülörü
Pilot ateşleme gaz ventili
Hava prosestatı
Gaz / Fuel Oil / Motorin / Gaz-Motorin / Gaz-Fuel Oil ile çalışabilme
Sıvı yakıt ürünlerde, yüksek basınçlı mekanik atomizasyonlu lans veya düşük basınçlı hava / buhar atomizasyonlu lans
Sıcak yakma havası ile çalışabilme*
Farklı montaj seçenekleri
Brülörü kazandan demonte etmeden servis kolaylığı/servis kapağı
Farklı alev borusu uzunluğu
BMS veya yazılım ile PLC aracılığıyla kontrol edilebilme
O2-CO yakma yönetim sistemi bağlantısı
Yakma havası fan inverter bağlantısı
Yakıt hazırlama istasyonları (Gaz hattı/Fuel Oil İstasyonu/Motorin İstasyonu)
TSE EN Uygunluk beyanı
CE Uygunluk beyanı

: Dahil Değil/Yok

: Opsiyonel

: Dahil/Var

ME: Mekanik Oransal

EL: Elektronik Oransal