| Brülör Tipi | Kapasite | Kapasite | Fuel-Oil Tüketimi | Fan Motor Gücü | Yakıt Pompa Gücü | Yakıt Isıtıcı | 50 Hz'de Gerilim | Hava Emiş Tipi |
|||
|---|---|---|---|---|---|---|---|---|---|---|---|
| Min. kcal/h | Max. kcal/h | Min. kW | Max. kW | Min. kg/h | Max. kg/h | kW | kW | kW | VAC | ||
| ECO 8 O (S) C 3 NG | 722.400 | 5.160.000 | 840 | 6000 | 75 | 535 | 11 | 2,2 | 2 x 14,0 | 3N 400 | Sac |
| * Net kalorifik değer H Fuel-oil: 9650 kcal/kg | |||||||||||
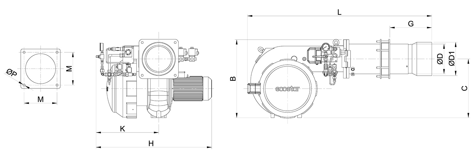
| * | L | Gmin | Gmax | H | K | B | C | ØP | M | ØD | ØD1 |
|---|---|---|---|---|---|---|---|---|---|---|---|
| ECO 8 O (S) C 3 NG | 1830 | - | 300 | 1320 | 720 | 960 | 695 | 18 | 400 | 408 | - |

*Bütün boyutlar mm cinsindendir.
| ÖZELLİKLER | ECO 8 O S C 3 NG |
|---|---|
| Kontrol şekli | O |
| Mekanik Oransal | |
| Elektronik Oransal | |
| Hava debi ayarı | SM |
| Yakıt debi ayarı | SM |
| Pilot Ateşleme | |
| Pilot gaz ventili | |
| Hava prosestatı | |
| Alev Kontrolü | F |
| Sıvı yakıt pompası ve yakıt hortumları | |
| Sıvı yakıt hortumları | |
| Servis amaçlı menteşeli gövde | |
| Farklı alev borusu uzunluğu | |
| O2-CO yakma yönetim sistemi bağlantısı | |
| Yakma havası fan inverter bağlantısı | |
| Yakıt hazırlama istasyonları (Gaz hattı/Motorin İstasyonu) | |
| TS EN 267+A1 ve CE uyumlu | |
| CE Uygunluk beyanı | |
| Elektrik koruma sınıfı | IP54 |
: Dahil Değil/Yok
: Opsiyonel
: Dahil/Var
1K: Tek Kademe
2K: İki Kademe
O: Oransal
M: Manuel
SM: Servomotor
İO: İyonizasyon
F: Fotosel
DA: Direk Ateşleme
PA: Pilot Ateşleme